Celluloseprodukte haben unzählige Formen und Formen, ganz zu schweigen von modifizierter Cellolose. Heute möchten wir über Mikrokristalline Cellolose sprechen: MCC wird hergestellt, indem die meisten amorphen Teile der Cellolosemolekülstruktur entfernt werden. Die verbleibenden Teile ergeben ein faszinierendes Material.
Genauer gesagt möchten wir Ihnen eine sehr spezifische Form und eine der Spezialitäten von JRS vorstellen. In unserem ersten Blogbeitrag von 2022 haben wir bereits über das Aggregationsproblem mit sehr feiner mikrokristalliner Cellolose gesprochen. Um sehr feine MCC verschiedenen Branchen zugänglich zu machen, bestanden die ersten Lösungen darin, MCC als wässrige Suspensionen oder Gele zu liefern, ähnlich wie die meisten Nanocelluloseprodukte, die derzeit auf dem Markt sind. Es wurde jedoch schnell klar, dass der Versand von Wasser nicht zu einem wirtschaftlich tragfähigen Produkt führt.
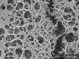
Daher haben wir unsere mikrokristallinen Cellolosegele entwickelt. Im Gegensatz zum Namen werden diese Produkte in trockener Form versendet. Dies ist auf einen einzigartigen Co-Prozess zurückzuführen, bei dem ein bio-basierter Abstandshaltermolekül zwischen den MCC-Partikeln eingearbeitet wird. In dem resultierenden System sind immer noch 80-90% MCC und daher ist der Charakter hauptsächlich unlöslich. Der MCG-Pulver kann jedoch in Wasser durch Scherenergie aktiviert werden. Dieser Aktivierungsprozess entsteht, wenn der wasserlösliche Abstandshalter Platz für Wasser zwischen den MCC-Fasern schafft und deren gleichmäßige Dispersion unterstützt, was zur Bildung eines dreidimensionalen Fasernetzwerks an der dimensionalen Grenze zwischen mikro- und nanoskalig führt.


Nach der Aktivierung kann MCG eine komplexe Vielzahl möglicher Parameter einführen, die von Thixotropie, Systemstabilisierung mit oder ohne Viskositätserhöhung, Sprühfähigkeit, Wasserrückhaltung, Synergie mit anderen Rheologie-Additiven, Porenbildung in Keramik und mehr variieren. Darüber hinaus sind MCGs thermostabil und im pH-Bereich 3-12 anwendbar.
Ihre Robustheit, hohe Qualität und vielseitigen Eigenschaften machen die MCGs bereits zu etablierten Produkten für die Lebensmittel- und Pharma-Industrie, sei es zur Stabilisierung von Kakaopartikeln in Getränken oder APIs in Nasensprays. Das ist jedoch bei weitem nicht alles. Das Potenzial von MCGs in technischen Anwendungen steht erst am Anfang. Wir haben Anwendungsfälle für funktionale Papierbeschichtungen gesehen, bei denen MCGs die Oberflächen glätten und die Barriereeigenschaften verbessern können. MCGs in Baufarben sind bereits gut bekannt und für die Entwicklung nachhaltiger Formulierungen in der weiten Welt der Klebstoffe gewinnen die Cellolosegele immer mehr Aufmerksamkeit.
Weizenfasergels basieren auf denselben Prinzipien wie MCGs, zeigen jedoch subtile Unterschiede in Bezug auf die technische Leistung. Sie bestehen ebenfalls aus einer unlöslichen Weizenzellulosefaser und einem löslichen, auf Biobasis hergestellten Zwischenraum, wobei die Aktivierung in Wasser zu weniger kolloidal verteilten Partikeln, aber zu einer stärker fibrillierten, etwas groberen Struktur führt.
Was für Ihre Formulierung und endgültige Anwendung geeignet ist, sollte mit unseren Experten besprochen werden. Daher laden wir Sie wie immer ein, vorauszugehen und Ihre Fragen zu stellen!